Product Summary
The 2SB1218A-R(TX) is a Silicon PNP epitaxial planer type For general amplification.
Parametrics
2SB1218A-R(TX) absolute maximum ratings: (1)Collector to base voltage VCBO: -45V; (2)Collector to emitter voltage VCEO: -45V; (3)Emitter to base voltage VEBO: -7V; (4)Peak collector current ICP: -200mA; (5)Collector current IC: -100mA; (6)Collector power dissipation Pc: 150mW; (7)Junction temperature: 150℃; (8)Storage temperature Tstg: –55 to +150℃.
Features
2SB1218A-R(TX) features: (1)High foward current transfer ratio hFE; (2)S-Mini type package, allowing downsizing of the equipment and automatic insertion through the tape packing and the magazine packing.
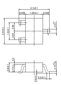
Diagrams

![]() |
![]() 2SB1000 |
![]() Other |
![]() |
![]() Data Sheet |
![]() Negotiable |
|
||||
![]() |
![]() 2SB1000A |
![]() Other |
![]() |
![]() Data Sheet |
![]() Negotiable |
|
||||
![]() |
![]() 2SB1001 |
![]() Other |
![]() |
![]() Data Sheet |
![]() Negotiable |
|
||||
![]() |
![]() 2SB1002 |
![]() Other |
![]() |
![]() Data Sheet |
![]() Negotiable |
|
||||
![]() |
![]() 2SB1005 |
![]() Other |
![]() |
![]() Data Sheet |
![]() Negotiable |
|
||||
![]() |
![]() 2SB1007 |
![]() Other |
![]() |
![]() Data Sheet |
![]() Negotiable |
|
||||
(Hong Kong)








